凯时尊龙人生就是博

凯时尊龙|人生就是博(首页) 18951503088
股票代码:688601

公司简介

质量为先 服务为基

力芯微推出3A、低输入电压 (1.1V)、低噪声、高精度、超低压降 ET5C001YB和DDR2、DDR3、DDR3L 和 DDR4 2A 灌电流/拉电流 ET51200

发布日期:2025-08-14
  ET5C001YB 器件是一款低噪声 (6µVRMS)、低压降线性稳压器 (LDO),可提供 3A 电流,同时最大压降仅为 260mV。该器件的输出电压可通过外部电阻分压器进行调节,范围为 0.8V 至 5.15V。
  ET5C001YB 集低噪声 (6µVRMS)、高 PSRR 和高输出电流能力等特性于一体,因此非常适合为雷达功率和信息娱乐等应用中的噪声敏感型组件供电。此器件的优秀性能可抑制电源产生的相位噪声和时钟抖动,因此非常适合为射频放大器、雷达传感器和芯片组供电。射频放大器尤其受益于该器件的高性能和 5.0V 输出能力。
  对于需要以低输入和低输出 (LILO) 电压运行的数字负载,例如专用集成电路 (ASIC)、现场可编程门阵列 (FPGA) 和数字信号处理器 (DSP),ET5C001YB 所具备的极高的精度(在负载和温度范围内可达 1%)、遥感功能、出色的瞬态性能和软启动能力可确保实现出色的系统性能。

  ET5C001YB器件的多功能性使其非常适合许多严苛的应用。

  ET51200 器件是一款灌电流和拉电流双倍数据速率 (DDR) 终端稳压器,专门针对低输入电压、低成本、低噪声的空间受限型系统而设计。
  ET51200 可保持快速的瞬态响应,仅需 20µF 较小输出电容。ET51200 支持遥感功能,并满足 DDR、DDR2、DDR3、DDR3L、低功耗 DDR3 和 DDR4 VTT 总线终端的所有电源要求。
  此外,ET51200 还提供一个开漏 PGOOD 信号来监测输出稳压,并提供一个 EN 信号在 S3(挂起至 RAM)期间针对 DDR 应用对 VTT 进行放电。
ET51200 采用带散热焊盘的高效散热型 10 引脚 VSON 封装。其额定温度范围为 -40°C 至 +85°C。
  ET5C001YB由于其优秀的性能其输出可以作为ET51200的VREFIN以及VLDOIN端口的供电,进行联合使用;使得整个应用拥有出色的系统性能。

特点:

ET5C001YB:

●输入电压范围:电源电压1.1~5.5V 偏置电压3.0~5.5V
●输出电压范围:使用输出电压选择脚可调0.8~3.95V或使用外部分压电阻可调:0.8~5.0V
●超低Drop:260mV @ 最大负载3A
●PSRR:40dB@1MHz
●超低噪声:6uVrms 
●可编程软启动输出
●用于监视输出稳压的 PGOOD
●内置欠压锁定
●极佳的输入和负载瞬态响应具有输出短路、输出限流、过温保护和输出自动放电功能
●封装:DFN20(5×5)带有散热焊盘的 20 引脚封装

ET51200 : 

●输入电压范围:输入电压:支持 2.5V 和 3.3V 电源轨VLDOIN 电压范围:1.1V 至 3.5V
●具有压降补偿功能的灌电流和拉电流终端稳压器
●需要较小的输出电容 20µF(通常为 3 × 10µF MLCC),即可用于存储器终端应用 (DDR)
●具有使能控制功能
●REFIN 输入允许直接或通过电阻分压器灵活进行输入跟踪
●±10mA带载能力的缓冲基准
●用于监视输出稳压的 PGOOD
●内置软启动,欠压锁定 (UVLO) 和过流限制 (OCL)
●极佳的输入和负载瞬态响应
●热关断
●支持 DDR、DDR2、DDR3、DDR3L、低功耗 DDR3 和 DDR4 VTT 应用
封装:DFN10(3×3)带有散热焊盘的 10 引脚封装

典型应用

图片1.png

ET5C001YB

图片2.png

ET51200

图片3.png

ET5C001YB与ET51200系统使用

图片4.png

ET5C001管脚定义

图片5.png

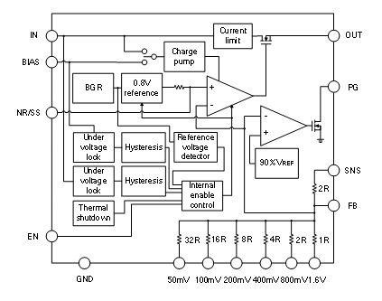
ET5C001功能框图

图片6.png

ET51200管脚定义

图片7.png

ET51200功能框图

(1)ET5C001YB的PSRR在1KHz有82dB,从100KHz到1MHz的PSRR大于40dB,此器件的优秀性能可抑制电源产生的相位噪声和时钟抖动,因此非常适合为射频放大器、雷达传感器和芯片组供电。

图片8.png

(2)ET5C001YB具有超低的噪声,可以给后级提供干净的电源。

图片9.png

(3)ET5C001YB具有极佳的电源瞬态响应,避免了前级扰动对后级的影响。

图片10.png

(4)ET5C001YB具有优秀的负载瞬态响应,给后级提供了稳定的电源输出。

图片11.png

(5)ET5C001YB具有超低的VDROP和负载调整率,可以在很低的输入输出压差下工作,提供系统的工作效率。

图片12.png

(6)ET51200具有超低的负载调整率,提供系统的工作效率。  

图片13.png

(7)ET51200具有优秀的负载瞬态响应,给后级提供了稳定的电源输出。

图片14.png


side-tel
18951503088
side-wechat
二维码
凯时尊龙|人生就是博(首页)
凯时尊龙人生就是博